|
|
| |
产品展示-> GLC型冷却器 |
|
GLC型冷却器 |
|
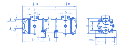
型号 |
L |
C |
L1 |
H1 |
H2 |
D1 |
D2 |
C1 |
C2 |
B |
L2 |
L3 |
n-d3 |
d1 |
d2 |
重量
(kg) |
GLC1-0.4 |
370 |
240 |
67
|
60 |
68
|
78
|
92 |
52
|
102
|
132 |
115
|
145 |
5-(ø11)
|
G1′′
(Dg25)
|
G3/4′′
(Dg20)
|
8 |
GLC1-0.6 |
540 |
405 |
310 |
10 |
GLC1-0.8 |
660 |
532 |
435 |
12 |
GLC1-1 |
810 |
665 |
570 |
13 |
GLC1-1.2 |
940 |
805 |
715 |
15 |
GLC2-1.3 |
560 |
375 |
98 |
85 |
93 |
120 |
137 |
78 |
145 |
175
|
172
|
225 |
4-(ø11)
|
|
|
19 |
GLC2-1.7 |
690 |
500 |
350 |
21 |
GLC2-2.1 |
820 |
635 |
485 |
25 |
GLC2-2.6 |
960 |
775 |
630 |
29 |
GLC2-3 |
1110 |
925 |
780 |
32 |
GLC2-3.5 |
1270 |
1085 |
935 |
36 |
GLC3-4 |
840 |
570 |
152 |
125 |
158
|
168 |
238 |
110 |
170 |
210 |
245
|
380 |
4-(ø15)
|
G3/2′′
(Dg36) |
G7/4′′
(Dg30)
|
74 |
GLC3-5 |
990 |
720 |
530 |
77 |
GLC3-6 |
1140 |
870 |
680 |
85 |
GLC3-7 |
1310 |
1040 |
850 |
90 |
GLC3-8 |
1470 |
1200 |
1010 |
G2′′
(Dg50) |
G3/2′′
(Dg36) |
96 |
GLC3-9 |
1630 |
1360 |
1170 |
105 |
GLC3-10 |
1800 |
1530 |
1340 |
110 |
GLC3-11 |
1980 |
1710 |
1520 |
118 |
GLC4-13 |
1340 |
980 |
197 |
160 |
208 |
219 |
305 |
140 |
270
|
320 |
318
|
745 |
4-(ø19)
|
G2′′
(Dg50)
|
|
152 |
GLC4-15 |
1500 |
1145 |
905 |
164 |
GLC4-17 |
1660 |
1305 |
1065 |
175 |
GLC4-19 |
1830 |
1475 |
1235 |
188 |
GLC4-21 |
2010 |
1655 |
1415 |
200 |
GLC4-23 |
2180 |
1825 |
1585 |
213 |
GLC4-25 |
2360 |
2005 |
1765 |
225 |
GLC4-27 |
2530 |
2175 |
1935 |
238 |
GLC5-30 |
1932 |
1570 |
202 |
200
|
234 |
273
|
355 |
180 |
280
|
320 |
327 |
1320 |
4-(ø23) |
G5/2”
(Dg60)
|
|
|
GLC5-34 |
2152 |
1790 |
1540 |
GLC5-37 |
2322 |
1960 |
1710 |
GLC5-41 |
2542 |
2180 |
1930 |
GLC5-44 |
2712 |
2350 |
2100 |
GLC5-48 |
2872 |
2510 |
2260 |
GLC5-51 |
3092 |
2730 |
2480 |
GLC5-54 |
3262 |
2900 |
2650 |
GLC6-55 |
2272 |
1860 |
227
|
230 |
284 |
325 |
410 |
200 |
300 |
390 |
362 |
1590 |
4-(ø23) |
G3′′
(Dg70) |
G5/2′′
(Dg60)
|
|
GLC6-60 |
2452 |
2040 |
1170 |
GLC6-65 |
2632 |
2220 |
1950 |
GLC6-70 |
2812 |
2400 |
2130 |
GLC6-75 |
2992 |
2580 |
2310 |
GLC6-80 |
3172 |
2760 |
2490 |
GLC6-85 |
3352 |
2940 |
2670 |
GLC6-90 |
3532 |
3120 |
2850 |
|
|
|